高速互连分析仪
- 类别:高频传输测试设备 - 品牌:唐领科技
主要特性
S 参数:DC – 40 GHz,支持单端与混合模式
阻抗剖析:空间分辨率 <1 mm,差分/共模均可
全自动内置校准,无需手动设置
TDR 驱动阻抗剖析,实现精准去嵌
高级去嵌:含时间门控、2X-thru 等算法
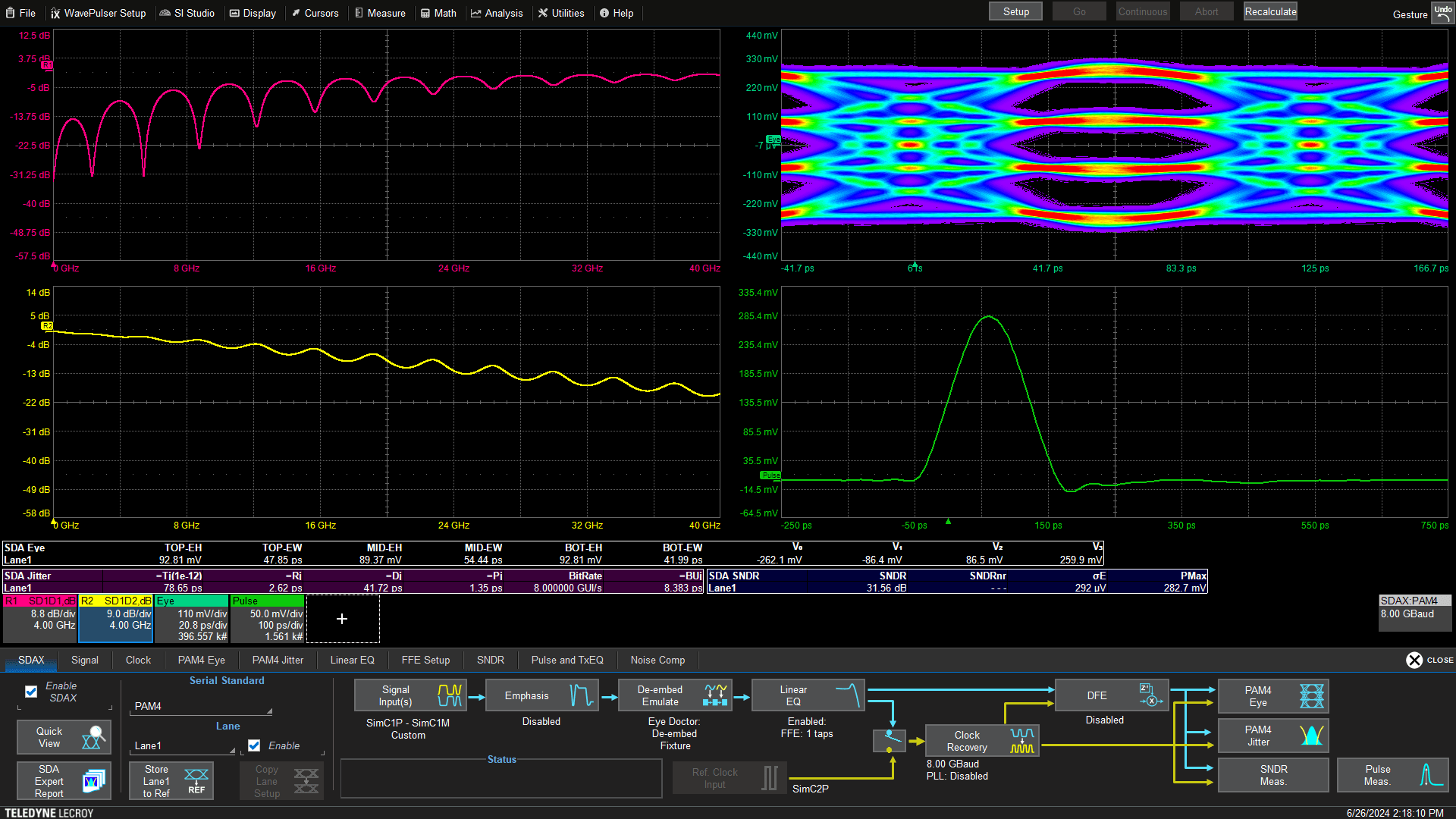
眼图仿真:支持均衡与高级抖动分析
完整 NRZ & PAM 分析套件,覆盖高速串行数据
测试、合规、诊断一体化解决方案
S 参数

频率范围 DC – 40 GHz,完整频域表征,支持单端与混合模式 S 参数。内置自动内部校准,快速简便。WavePulser-40iX-BUNDLE 随附的 OLST 校准件可将测量参考面灵活移至所需位置。
阻抗剖析

<1 mm 空间分辨率精确定位缺陷,同时提供差分与共模阻抗曲线。集成 TDR 与 TDT 功能,反射与传输响应全覆盖。
深度工具箱

提供可直接用于仿真的测量结果,内置去嵌与高速信号分析全套工具:
S 参数去嵌:时间门控、1×-Reflect(短路/开路)、2×-Thru、带门控的阻抗修正 2×-Thru
集成眼图:支持均衡后仿真
高级抖动分析:量化总体抖动 (Tj)、随机抖动 (Rj)、确定性抖动 (Dj),并完成 Dj 解卷积
内置自动校准
校准标准件已内置于主机(标准配置即包含),校准过程始终自动、简单、快速:单根线缆连到被测件,按下“Go”即可。无需额外采购外部校准件。基于 TDR/TDT 的架构不受外部夹具影响,校准稳定性更高。
全频段 DC – 40 GHz
WavePulser 结果从 DC 开始,延伸至 40 GHz 带宽,TDR 阶跃响应及经时间门控/仿真的物理层信号响应无需低频或 DC 外推——对互连系统测试尤为理想,为高速互连测试提供完整带宽与极致易用性。
规格 | WavePulser 40iX | WavePulser-40iX-BUNDLE |
端口数 | 4 | |
操作频率 | DC-40GHz | |
连接器类型 | 2.92mm | |
校准方式 | 内部、自动OSLT | |
结果显示 | 高达16个同步测量显示(时域和频域) | |
显示模式 | Single, dual, tandem, triple, quad, quattro, hex, octal and Smith Chart (frequency only) | |
输入电压范围 | +/-1V peak | |
噪音 | -48dBm典型值(DC-40GHz, 未平均) -85dBm典型值(DC-40GHz, 5000次平均(1秒) | |
频率测量 | ||
S参数测量 | 单端及混模 | |
频域显示 | 幅值、相位、实部与虚部 | |
动态范围(普通模式) | 56dB@40GHz(典型) | |
动态范围(拓展模式) | 66dB@40GHz(典型) | |
时域测量 | ||
上升时间 | 8.5 ps (20%-80%) with 16 ps nominal pulse width (50% point) | |
空间分辨率 | <1mm | |
时域显示 | 阻抗曲线(Z0)、冲激响应、阶跃响应、Rho(Г) | |
采样率 | 100MS/s | |
环境 | ||
温度 | Operating: 5 °C to 40 °C; Non-operating: -20 °C to 70 °C | |
湿度 | Operating: 5% to 90% relative humidity (non-condensing) up to +31 °C, Upper limit derates to 50% relative humidity(non-condensing) at +40 °C; Non-Operating: 5% to 95% relative humidity (non-condensing) as tested per MIL-PRF-28800F | |
海拔 | Operating: 3,048 m (10,000 ft) max at +30 °C; Non-operating: Up to 12,192 meters (40,000 ft) | |
尺寸 | 4.2" H x 12.0" W x 9.1" D (105mm H x 305mm W x 230mm D) | |
重量 | 3.3Kg | |
电压 | 100 to 240 VAC (±10%) at 45-66 Hz or 400 Hz; Automatic AC voltage selection | |
最大功耗 | 40W | |
推荐PC配置 | ||
Processor: Intel Core i7 or better, 4 GB RAM or better, 2 GB available free space; Display: 1280 x 1080 pixels or better; Operating System: Microsoft Windows 10; Connectivity: SuperSpeed USB | ||
保修及服务 | 3-year warranty; calibration recommended annually. Optional service programs include extended warranty, upgrades, and calibration services | |
